ステンレス形鋼の特徴
製造品目
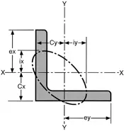
アングルの寸法・形状
ステンレス製のL型アングルです。巾20mmの小形サイズから巾150mmの大形サイズまで、幅広い用途にご利用いただけます。
製造寸法と単位質量
SUS304(単位:kg/m)
| 辺 A×B |
厚さ(t) | |||||||||
|---|---|---|---|---|---|---|---|---|---|---|
| 3 | 4 | 5 | 6 | 7 | 8 | 9 | 10 | 12 | 15 | |
| 20×20 | 0.894 | 1.16 | 1.38 | |||||||
| 25×25 | 1.13 | 1.46 | 1.78 | 2.07 | ||||||
| 30×30 | 1.37 | 1.77 | 2.18 | 2.54 | ||||||
| 40×40 | 1.85 | 2.41 | 2.98 | 3.50 | ||||||
| 50×50 | 2.37 | 3.09 | 3.81 | 4.48 | 5.17 | 5.84 | 6.44 | 7.12 | 8.36 | |
| 60×60 | 4.60 | 5.44 | 6.26 | 7.09 | 7.87 | 8.67 | ||||
| 65×65 | 5.05 | 5.97 | 6.87 | 7.74 | 8.64 | 9.52 | 11.2 | |||
| 75×75 | 5.82 | 6.92 | 7.98 | 9.01 | 10.1 | 11.1 | 13.1 | |||
| 80×80 | 7.40 | 8.53 | 9.64 | 10.8 | 11.9 | 14.1 | ||||
| 90×90 | 8.36 | 9.69 | 11.0 | 12.3 | 13.5 | 16.0 | ||||
| 100×100 | 9.32 | 10.8 | 12.2 | 13.7 | 15.1 | 17.9 | ||||
| 125×125 | 15.4 | 17.2 | 19.0 | 22.6 | 28.0 | |||||
| 150×150 | 20.9 | 23.1 | 27.5 | 33.8 | ||||||
- 標準製造寸法
- 製造可能寸法
備考
上記の範囲以外についてもご相談ください。
寸法許容差
(単位:mm)
| 辺 A×B |
辺の偏差 | 厚さ(t)と厚さ許容差 | |||||||||
|---|---|---|---|---|---|---|---|---|---|---|---|
| 3 | 4 | 5 | 6 | 7 | 8 | 9 | 10 | 12 | 15 | ||
| 20×20 | ≦1.5 | ±0.3 | ±0.3 | ±0.3 | ±0.3 | ||||||
| 25×25 | ≦1.5 | ±0.3 | ±0.3 | ±0.3 | ±0.3 | ||||||
| 30×30 | ≦2.0 | ±0.3 | ±0.3 | ±0.3 | ±0.3 | ||||||
| 40×40 | ≦2.0 | ±0.4 | ±0.4 | ±0.4 | ±0.4 | ||||||
| 50×50 | ≦2.0 | ±0.4 | ±0.4 | ±0.4 | ±0.4 | ±0.4 | ±0.4 | ±0.4 | ±0.4 | ±0.6 | |
| 60×60 | ≦3.0 | ±0.4 | ±0.4 | ±0.4 | ±0.4 | ±0.4 | ±0.4 | ||||
| 65×65 | ≦3.0 | ±0.4 | ±0.4 | ±0.4 | ±0.4 | ±0.4 | ±0.4 | ±0.6 | |||
| 75×75 | ≦3.0 | ±0.4 | ±0.4 | ±0.4 | ±0.4 | ±0.4 | ±0.4 | ±0.6 | |||
| 80×80 | ≦3.0 | ±0.4 | ±0.4 | ±0.4 | ±0.4 | ±0.4 | ±0.6 | ||||
| 90×90 | ≦3.0 | ±0.4 | ±0.4 | ±0.4 | ±0.4 | ±0.4 | ±0.6 | ||||
| 100×100 | ≦4.0 | ±0.4 | ±0.4 | ±0.4 | ±0.4 | ±0.4 | ±0.6 | ||||
| 125×125 | ≦4.0 | ±0.7 | ±0.7 | ±0.8 | ±0.8 | ±1.0 | |||||
| 150×150 | ≦4.0 | ±0.8 | ±1.0 | ±1.0 | ±1.0 | ||||||
- 標準製造寸法
- 製造可能寸法
形状品質

| 区分 | 許容差 |
|---|---|
| 直角度 | 90°± 2° |
| 曲がり | 1mにつき3mm以下、 全長に対しては3mm×全長(m)/1m以下 |
| 長さ | (※1)4000, 6000, (max.7500) |
| 長さ許容差 | (※2)+40 -0mm |
- ※1長さについてはご相談ください
- ※2長さ許容差の+側は参考値です
形状品質

断面二次モーメント:l = ai2
断面二次半径:I = √l/a
断面係数:Z = l/e
(a = 断面積)
| 標準断面寸法(mm) | 断面積 (cm2) |
重心の位置 (cm) |
断面二次モーメント (l)(cm4) |
断面二次半径 (i)(cm) |
断面係数 (Z)(cm3) |
|||||||
|---|---|---|---|---|---|---|---|---|---|---|---|---|
| 辺 A=B |
厚さ t |
r1 | r2 | a | Cx | Cy | lx | ly | ix | iy | Zx | Zy |
| 20 | 3 | 4 | 2 | 1.127 | 0.595 | 0.595 | 0.388 | 0.388 | 0.587 | 0.587 | 0.276 | 0.276 |
| 25 | 3 | 4 | 2 | 1.427 | 0.719 | 0.719 | 0.797 | 0.797 | 0.747 | 0.747 | 0.448 | 0.448 |
| 30 | 3 | 4 | 2 | 1.727 | 0.844 | 0.844 | 1.42 | 1.42 | 0.908 | 0.908 | 0.661 | 0.661 |
| 40 | 3 | 4.5 | 2 | 2.336 | 1.09 | 1.09 | 3.53 | 3.53 | 1.23 | 1.23 | 1.21 | 1.21 |
| 40 | 5 | 4.5 | 3 | 3.755 | 1.17 | 1.17 | 5.42 | 5.42 | 1.20 | 1.20 | 1.91 | 1.91 |
| 50 | 4 | 6.5 | 3 | 3.892 | 1.37 | 1.37 | 9.06 | 9.06 | 1.53 | 1.53 | 2.49 | 2.49 |
| 50 | 6 | 6.5 | 4.5 | 5.644 | 1.44 | 1.44 | 12.6 | 12.6 | 1.50 | 1.50 | 3.54 | 3.54 |
| 65 | 6 | 8.5 | 4 | 7.527 | 1.81 | 1.81 | 29.4 | 29.4 | 1.98 | 1.98 | 6.26 | 6.26 |
| 65 | 9 | 8.5 | 6 | 10.89 | 1.92 | 1.92 | 37.1 | 37.1 | 1.85 | 1.85 | 8.10 | 8.10 |
| 75 | 6 | 8.5 | 4 | 8.727 | 2.06 | 2.06 | 46.1 | 46.1 | 2.30 | 2.30 | 8.47 | 8.47 |
| 75 | 9 | 8.5 | 6 | 12.69 | 2.17 | 2.17 | 64.4 | 64.4 | 2.25 | 2.25 | 12.1 | 12.1 |
| 100 | 10 | 10 | 7 | 19.00 | 2.82 | 2.82 | 175 | 175 | 3.03 | 3.03 | 24.4 | 24.4 |
| 125 | 9 | 10 | 6 | 21.75 | 3.41 | 3.41 | 324 | 324 | 3.86 | 3.86 | 35.6 | 35.6 |
| 125 | 12 | 10 | 7 | 28.56 | 3.53 | 3.53 | 416 | 416 | 3.82 | 3.82 | 46.4 | 46.4 |
| 125 | 15 | 10 | 7 | 35.25 | 3.64 | 3.64 | 505 | 505 | 3.78 | 3.78 | 57.0 | 57.0 |
| 150 | 9 | 12 | 6 | 26.34 | 4.03 | 4.03 | 572 | 572 | 4.66 | 4.66 | 52.1 | 52.1 |
| 150 | 12 | 12 | 7 | 34.66 | 4.15 | 4.15 | 739 | 739 | 4.62 | 4.62 | 68.1 | 68.1 |
| 150 | 15 | 12 | 10 | 42.63 | 4.25 | 4.25 | 888 | 888 | 4.56 | 4.56 | 82.5 | 82.5 |
チャンネルの寸法・形状
ステンレス製のC型チャンネルです。巾40mmの小形サイズから巾100mmの大形サイズまで、幅広い用途にご利用いただけます。
製造寸法と単位質量
(単位:kg/m)
| 高さ×辺 (H) × (B) |
厚さ(t) | ||||||||
|---|---|---|---|---|---|---|---|---|---|
| 4 | 5 | 6 | 7 | 8 | 9 | 10 | 12 | 15 | |
| 80×40 | 5.99 | ||||||||
| 100×50 | 6.20 | 7.65 | 9.02 | ||||||
| 130×65 | 12.0 | ||||||||
| 150×75 | 13.9 | 20.3 | |||||||
| 200×100 | 24.6 | 27.5 | 30.3 | 36.0 | |||||
- 溶接チャンネル
- 標準製造寸法
- 製造可能寸法
備考
上記の範囲以外についてもご相談ください。
寸法許容差
| 高さ×辺 (H) × (B) |
辺の 許容差 |
高さの 許容差 |
厚さ(t)と厚さ許容差 | ||||||||
|---|---|---|---|---|---|---|---|---|---|---|---|
| 4 | 5 | 6 | 7 | 8 | 9 | 10 | 12 | 15 | |||
| 80×40 | ±1.5 | ±1.5 | ±0.4 | ||||||||
| 100×50 | ±2.0 | ±2.0 | ±0.4 | ±0.4 | ±0.4 | ||||||
| 130×65 | ±2.0 | ±2.0 | ±0.5 | ||||||||
| 150×75 | ±2.0 | ±2.0 | ±0.5 | ±0.5 | |||||||
| 200×100 | ±3.0 | ±3.0 | ±0.5 | ±0.5 | ±0.6 | ±0.6 | |||||
- 溶接チャンネル
- 標準製造寸法
- 製造可能寸法
形状品質

| 区分 | 許容差 |
|---|---|
| 直角度 | 90°±2° |
| 曲がり | 1mにつき3mm以下、 全長に対しては3mm×全長(m)/1m 以下 |
| 長さ | (※1)4000, 6000 |
| 長さ許容差 | (※2)+40 -0mm |
- ※1長さについてはご相談ください
- ※2長さ許容差の+側は参考値です
断面係数

断面二次モーメント:l = ai2
断面二次半径:I = √l/a
断面係数:Z = l/e
(a = 断面積)
| 標準断面寸法(mm) | 断面積 (cm2) |
重心の位置 (cm) |
断面二次モーメント (l)(cm4) |
断面二次半径 (i)(cm) |
断面係数 (Z)(cm3) |
||||||
|---|---|---|---|---|---|---|---|---|---|---|---|
| 高さ×辺×厚さ (H) × (B) × (t) |
r1 | r2 | a | Cx | Cy | lx | ly | ix | iy | Zx | Zy |
| 80×40×5 | 4.5 | 3 | 7.548 | 0 | 1.16 | 71.1 | 10.9 | 3.07 | 1.20 | 17.8 | 3.83 |
| 100×50×4 | 6.5 | 3 | 7.823 | 0 | 1.36 | 121 | 18.2 | 3.93 | 1.52 | 24.2 | 4.99 |
| 100×50×5 | 6.5 | 3 | 9.643 | 0 | 1.41 | 146 | 22.1 | 3.89 | 1.52 | 29.2 | 6.16 |
| 100×50×6 | 6.5 | 4.5 | 11.37 | 0 | 1.43 | 168 | 25.3 | 3.85 | 1.49 | 33.7 | 7.09 |
| 130×65×6 | 8.5 | 4 | 15.12 | 0 | 1.80 | 390 | 58.9 | 5.08 | 1.97 | 60.0 | 12.5 |
| 150×75×6 | 8.5 | 4 | 17.52 | 0 | 2.05 | 609 | 92.3 | 5.89 | 2.30 | 81.2 | 17.0 |
| 150×75×9 | 8.5 | 6 | 25.54 | 0 | 2.16 | 850 | 129 | 5.77 | 2.25 | 113 | 24.2 |
| 200×100×10 | 10 | 7 | 38.22 | 0 | 2.81 | 2310 | 351 | 7.77 | 3.03 | 231 | 48.8 |
圧延H形鋼の寸法・形状
ステンレス製の圧延H形鋼です。
製造可能範囲と特性
圧延H形鋼


断面二次モーメント:l = ai2
断面二次半径:I = √l/a
断面係数:Z = l/e
(a = 断面積)
| 標準断面寸法 (mm) |
断面積 (cm2) |
単位質量 (kg/m) |
断面二次モーメント (l)(cm4) |
断面二次半径 (i)(cm) |
断面係数 (Z)(cm3) |
|||||||
|---|---|---|---|---|---|---|---|---|---|---|---|---|
| 寸法 (高さ×辺) |
(H)×(B) | t1 | t2 | r | a | SUS304 | lx | ly | ix | iy | Zx | Zy |
| 100×100 | 100×100 | 6 | 8 | 8 | 21.59 | 17.1 | 378 | 134 | 4.18 | 2.49 | 75.6 | 26.7 |
| 125×125 | 125×125 | 6.5 | 9 | 8 | 30.00 | 23.8 | 839 | 293 | 5.29 | 3.13 | 134 | 46.9 |
| 148×100 | 148×100 | 6 | 9 | 8 | 26.35 | 20.9 | 1000 | 150 | 6.17 | 2.39 | 135 | 30.1 |
| 150×150 | 150×150 | 7 | 10 | 8 | 39.65 | 31.4 | 1620 | 563 | 6.40 | 3.77 | 216 | 75.1 |
| 200×100 | 200×100 | 5.5 | 8 | 8 | 26.67 | 21.1 | 1810 | 134 | 8.23 | 2.24 | 181 | 26.7 |
| 200×200 | 200×200 | 8 | 12 | 13 | 63.53 | 50.4 | 4720 | 1600 | 8.62 | 5.02 | 472 | 160 |
| 250×250 | 250×250 | 9 | 14 | 13 | 91.43 | 72.5 | 10700 | 3650 | 10.8 | 6.32 | 860 | 292 |
寸法許容差
| 項目 | 範囲 | 許容差 | |
|---|---|---|---|
| 辺(B) | ±3.0 | ||
| 高さ(H) | 呼称高さが 400未満 |
±3.0 | |
| 厚さ | フランジt2 | 16未満 | ±1.0 |
| ウエブt1 | 16未満 | ±1.5 | |
| 長さ | 6000 | +40, -0 | |
| 項目 | 範囲 | 許容差 |
|---|---|---|
| 直角度 | 呼称高さが 300以下 |
辺Bの1.2%以下。ただし 許容差の最小値2.0mm |
| 曲がり | 呼称高さが 300以下 |
長さの0.2%以下 |
| 中心の偏り(s) | 呼称高さが 300以下 |
±3.0 |
平鋼
ステンレス製のフラットバーです。幅広い用途にご利用いただけます。
標準製造寸法
- ※下記以外にも製造可能ですのでご相談ください。
スリットフラットバー
| 厚さ | 幅 | ||||||||||||||||
|---|---|---|---|---|---|---|---|---|---|---|---|---|---|---|---|---|---|
| 10 | 15 | 19 | 20 | 25 | 30 | 32 | 35 | 38 | 40 | 45 | 50 | 60 | 65 | 75 | 90 | 100 | |
| 3 | |||||||||||||||||
| 4 | |||||||||||||||||
| 5 | |||||||||||||||||
| 6 | |||||||||||||||||
- 標準製造寸法
- 製造可能寸法
寸法許容差

1. 厚さの許容差
| 3 ≦ 厚さT ≦ 6 | 厚さTの ±10%以下 |
|---|
2.幅の許容差
| 幅W < 25 | ±0.7 |
|---|---|
| 25 ≦ 幅W ≦ 100 | ±1.0 |
形状品質
| 曲がり | ≦3mm/m、全長≦3mm×長さ (m)/m |
|---|---|
| 長さ公差 | +40mm、-0mm(定尺4m) |
熱間圧延フラットバー
| 厚さ | 幅 | |||
|---|---|---|---|---|
| 50 | 65 | 75 | 100 | |
| 9 | ||||
| 10 | ||||
| 11 | ||||
| 12 | ||||
| 13 | ||||
| 14 | ||||
| 15 | ||||
| 16 | ||||
- 標準製造寸法
寸法許容差

1. 厚さの許容差
| 幅W ≦ 50 | ±0.4 |
|---|---|
| 50 < 幅W ≦ 100 | ±0.5 |
2.幅の許容差
| 幅W ≦ 50 | ±0.8 |
|---|---|
| 50 < 幅W ≦ 75 | ±1.2 |
| 75 < 幅W ≦ 100 | ±1.5 |
形状品質
| 曲がり | ≦3mm/m、全長≦3mm×長さ (m)/m |
|---|---|
| 長さ公差 | +40mm、-0mm(定尺4m) |
表面仕上げ
| 名称 | 表面仕上げの方法 |
|---|---|
| 熱間熱処理酸洗 | 熱間圧延後、熱処理・酸洗処理を施したもの |
C型半丸鋼
圧延技術を駆使し、特色のある形状であるC型半丸鋼をお客様にお届けいたします。
製造寸法
| R1(mm) | R2(mm) | W1(mm) | W2(mm) | W3(mm) | r1(mm) | r2(mm) | h1(mm) | 重量(kg:p) | L(m) |
|---|---|---|---|---|---|---|---|---|---|
| 25 | 13 | 50 | 45 | 23 | 16 | 3 | 7 | 38.5 | 常用5.5 (max. 7.0)※ |
| 30 | 16 | 60 | 56 | 30 | 16 | 3 | 8 | 55.0 |
- ※長さについてはご相談ください
特長
- C型半丸(半丸底面に溝切)形状のため、単なる半丸形状に比べて、曲げや溶接加工が容易です。
- 半丸底面中央部が溝切形状のため、軽量でコストダウンがはかれます。
用途
- 船舶用補強材
化学成分
| NAR名称 (JIS相当規格) |
化学成分 (mass%) |
|||||||
|---|---|---|---|---|---|---|---|---|
| C | Si | Mn | P | S | Cr | Ni | Mo | |
| NAR-304 (SUS304) |
≦0.08 | ≦1.00 | ≦2.00 | ≦0.040 | ≦0.030 | 18.00~20.00 | 8.00~10.50 | |
| NAR-304L (SUS304L) |
≦0.030 | ≦1.00 | ≦2.00 | ≦0.040 | ≦0.030 | 18.00~20.00 | 9.00~12.00 | |
| NAR-316 (SUS316) |
≦0.08 | ≦1.00 | ≦2.00 | ≦0.040 | ≦0.030 | 16.00~18.00 | 10.00~14.00 | 2.00~3.00 |
| NAR-316L (SUS316L) |
≦0.030 | ≦1.00 | ≦2.00 | ≦0.040 | ≦0.030 | 16.00~18.00 | 12.00~15.00 | 2.00~3.00 |
機械的性質
| NAR名称 (JIS相当規格) |
機械的性質 | ||||
|---|---|---|---|---|---|
| 0.2%耐力 〔MPa〕 |
引張強さ 〔MPa〕 |
伸び 〔%〕 |
硬さ | ||
| HBW | HRBS | ||||
| NAR-304 (SUS304) |
≧205 | ≧540 | ≧45 | ≦187 | ≦90 |
| NAR-304L (SUS304L) |
≧195 | ≧490 | ≧50 | ≦187 | ≦90 |
| NAR-316 (SUS316) |
≧225 | ≧540 | ≧45 | ≦187 | ≦90 |
| NAR-316L (SUS316L) |
≧195 | ≧490 | ≧45 | ≦187 | ≦90 |
物理的性質
| NAR名称 (JIS相当規格) |
物理的性質 | ||||||
|---|---|---|---|---|---|---|---|
| 比熱 〔J/kg・K〕 |
融点 〔℃〕 |
熱伝導度 〔W/m・K〕 |
線膨張係数 〔×10-6/K〕 |
比電気抵抗 〔μΩ・cm〕 |
弾性率 〔105N/mm2〕 |
比重 | |
| NAR-304 (SUS304) |
500 | 1399~1454 | 16.3 | 17.3 | 72 | 1.93 | 7.93 |
| NAR-304L (SUS304L) |
500 | 1399~1454 | 16.3 | 17.3 | 72 | 1.93 | 7.93 |
| NAR-316 (SUS316) |
500 | 1371~1399 | 16.3 | 16.0 | 74 | 1.93 | 7.98 |
| NAR-316L (SUS316L) |
500 | 1371~1399 | 16.3 | 16.0 | 74 | 1.93 | 7.98 |
表面仕上げ
| 名称 | 表面仕上げの方法 |
|---|---|
| 熱間熱処理酸洗 | 熱間圧延後、熱処理・酸洗処理を施したもの |
この製品に関する製品FAQ
この製品に関するお問い合わせ
会社団体名、お問い合わせ内容等の記載に漏れや不備がある場合や、お見積りに関するご質問等については、
回答できない場合もございますので、予めご了承ください。